電子(zǐ)式電動w🔞ww338幼🚩三通調節(jie)閥-航天泵閥
2025-12-08 15:56:00
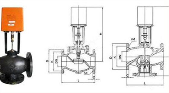
電子(zi)式電動三通調節(jiē)閥、分流調節閥采(cǎi)用圓筒型薄壁窗(chuang)口形閥芯導向。配(pei)用9610L系列電子式直(zhi)行程電動執行機(ji)構,接👉受O~10或☁️4-20mA DC信号驅(qū)動閥門啟閉

**本着(zhe)真誠、專業、規範、創(chuàng)新的理念,以科技(ji)創新為先導,充分(fèn)利用産學研究優(you)勢,為客戶提供安(an)全、環保的産品及(jí)服務。
航天泵閥(fá)——40年行業經驗沉澱(diàn)門閥品牌,您身邊(bian)的門閥專家!為您(nín)提供最優質的産(chan)品與最有效的門(men)閥問題解決方案(àn),航天泵閥以“品質(zhi)和産品”對待每個(ge)客戶,為您服務!免(mian)費熱線:029-83270070,或點擊在(zai)線客服進行咨詢(xún)。


全焊接鍛鋼固(gù)定球閥
固定式鍛(duan)鋼球閥
直埋(mái)(埋地)式全焊接球(qiú)閥
供熱專用全焊接(jiē)球閥