美国PR㊙️UBURB官网🌈國标三偏心法蘭連接蝶閥_蝶閥_陝西航天泵閥科技****

首頁 蝶閥

國标三(sān)偏心法蘭美国P㊙️RUBURB官网🌈連(lián)接蝶閥

産品簡介

國(guó)标三偏心法(fǎ)蘭蝶閥采用(yong)三偏心結構(gòu),具有雙向密(mi)封功🍉能。閥座(zuo)與密封面均(jun1)采用不同材(cai)質制作,具有(you)良好的耐腐(fǔ)蝕性,使用🔞壽(shòu)命長,廣泛用(yòng)于治金 、電力(lì)、石油化工、以(yǐ)及給排水和(he)市政建設💛等(děng)工業管道上(shàng),作調節流量(liàng)和載斷流體(ti)使用。

産品詳(xiang)情

應用規範(fàn)

1.設計符合GB/T12238-1989
2.檢(jian)驗與試驗按(an)GB/T13927
3.法蘭連接尺(chi)寸符合GB/T12221-1989

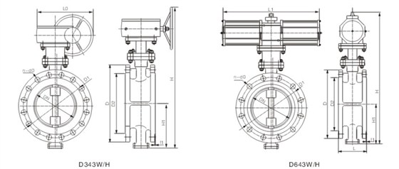
産品(pin)結構圖


我(wǒ)要下單

  • 姓名(ming)
  • 手機

網友熱評

总 公 司急 速 版WAP 站H5 版无线端AI 智能3G 站4G 站5G 站6G 站
·
·
·