2019最新福❌利合集🌈固定式金屬密封高壓球閥|煤化工閥門

固定(dìng)式金屬密封2019最新福利❌合集🌈高(gāo)壓球閥

  • 主要用于截(jié)斷或接通管路(lu)中的介質,亦可(kě)用于...:

産品簡介(jiè)

産品詳情

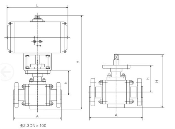
固(gu)定式金屬密封(fēng)高壓球閥結構(gòu)圖

結構參數


我要下單

  • 姓名(ming)
  • 留言

網友熱評(ping)

总 公 司急 速 版WAP 站H5 版无线端AI 智能3G 站4G 站5G 站6G 站